Электротехническое оборудование в Самарской области
Купить ТПЛМ-10, ТЛП-10, ТПЛ-10С, ТПЛ-10 трансформаторы тока. Доставка по РФ и СНГ. Звоните.
Предохранитель DIN FUSARC 12KV 63A D=78.5M 51006519M0 Schneider Electric ПРЕДОХРАНИТЕЛЬ DIN FUSARC 12KV 63A D=78.
ПСК-0,2 подмость стеклопластиковая комбинированная. Высота рабочей площадки, мм - 0,2.
16 лет межповерочный интервал ТОП-0,66. Купить дешевле в Самаре. От производителя. Наличие. Доставка по РФ и СНГ.
От производителя трансформаторы тока на 0,66 кВ с МПИ 16 лет. Низкие цены. Доставка по РФ и СНГ ТРАНСФОРМАТОР Т 0.66-1-0.
Продаем по низким ценам трансформаторы тока ТВЛМ-6 У3, ТЛК-СТ-6 У3 в следующих исполнении ТВЛМ-6 (ТЛК-СТ-6) 1-10Р 10/5 У3...
Номинальный первичный ток: 5000 А Номинальный вторичный ток: 1-5 А Класс точности: 0,5; 0,5S; 0,2; 0,2S; 10P Продаем по...
Поставим новые разъединители РГП.2-35.II/3150 УХЛ1 по низким ценам. Минимальные сроки отгрузки.
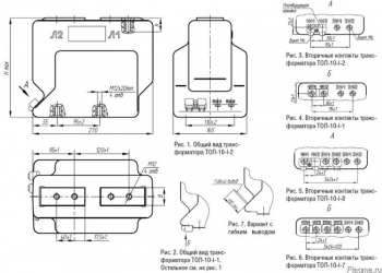
Продаем трансформаторы тока ТОЛ-10-I-2 У2,300/5А 0.5S по низким ценам. Наличие и заказ. МПИ 16 лет. Оригинал.
Продаем трансформаторы ЗНОЛ-СЭЩ-10 и ЗНОЛ-СЭЩ-10-1 (с предохранительным устройством). Низкие цены. Отгрузка из Самары.
Купить трансформатор ТКЛМ-0,66-0,5-200/5 Т3 (ТТ-0,66-ТКЛМ 200/5) по низкой цене. От производителя.
Трансформаторы ТЛО-10 все номиналы.
Продаем трансформаторы ТШП-0,66 все номиналы. 0,5 и 0,5S класса точности. Звоните Трансформатор тока ТШП 0,66- 200/5 кл.т.
Продаем от производителя трансформаторы тока ТЛК-СТ-10-15-0,5/10Р У2 100/5, а так же другие токовые номиналы.
Опорный трансформатор тока ТОЛ-СЭЩ-10-11-0,5S/10P 600/5 купить по низким ценам в Самаре. Доставка по РФ и СНГ.
Купить трансформатор напряжения НТС-0.5 УХЛ4 380/100 по низкой цене в Самаре. Новые только.
Поставим литые и маслозаполненные трансформаторы напряжения 3кВ, 6 кВ и 10 кВ. Из наличия.
Трансформаторы тока типа ТЛК-СТ-10-ТПЛ трансформатор тока на 6-10 кВ. Низкие цены.
Купить из наличия в Самаре предохранители XRNP6-40.5/0.3-31.5-1 (25ммх465 мм), а так же дургие номиналы 0,5А, 0,63А ...
Купить трансформатор ТОЛ-СЭЩ-10-11 и ТОЛ-СЭЩ-10-21 по низкой цене. Доставка по РФ и СНГ. 0,5 ; 0,5S ; 0,2 ; 0,2S.
ТОЛ-10 30/5 0,5/10Р трансформаторы тока опорные купить новые из наличия по низким ценам в компании ЗАО "ВолгаЭнергоКомплект...
Предохранитель WBP-20 24кВ 0,5А 310х23мм 0,2кг| 1YMB412101M0003 1YMB752405M3201 WBP-20 24 0.5 50 63 5 23 310 5.9 17534 0.
Лазы универсальные ЛУ (тип 3) предназначены для подъема на железобетонные опоры трапецеидального сечения воздушных линий...
Предохранитель WBP-10 12kV 0,6A 250/23mm 2,3kg 1YMB412101M0002 ABB Достпуны в заказ еще комплектации 1YMB751205M2202...
Предлагаем новые, из наличия,трансформаторы тока ТОЛ-СВЭЛ-10-М-29-0,5S/10P/75/5 УХЛ2, 10/15 ВА, Кр=10, Кб=5. МПИ 8 лет.
Трансформатор ТЛК -СТ-10-15(1)-0,5SFS10/10P10-10ВА-15ВА-400/5-400/5 40 100 У2 Наличие. Новые. Все номиналы. Звоните
Поставляем трансформаторы тока ТЛО-10 - Трансформатор ТЛО-10-М1АС-0,5SFS10/10H10-10/15-100/5 У3 б 20кА, а так же другие...
Купить трансформатор тока ТОЛ-НТЗ-10-11 с МПИ 16 лет. Низкие цены. Доставка по РФ и СНГ.
Сообщаем о расширении линейки 3-х обмоточных трансформаторов тока ТПК-10, а именно: ● ТПК-10 (5/5-2000/5) 0,5/0,5/10Р У3...
Поставим от производителя трансформаторы тока ТЛМ-10-1, ТЛМ-10-2, ТОЛ-СТ-10-ТЛМ1, ТЛК-СТ-10-ТЛМ1 по низким ценам.
Механический одноключевой замок МБГ-31 (тип 31М) Механический двухключевой замок МБГ-32 (тип 32М) Ключ КУ-1, секретами А1...
Купить трансформаторы тока ТПЛ-10С по низкой цене. Наличие и заказ. Доставка по РФ и СНГ.
Предохранитель XRNP 0.5A 7.5KV 51X260MM наличие. Низкие цены. Купить в России.
ТЛК-СТ-35 (ТЛК-35) трансформатор тока опорный. Продажа с завода. Низкие цены. Купить с доставкой ТЛК-35 внутренней установки.
Диэлектрические лестницы стремянки Свою полезность диэлектрические лестницы и стремянки уже успели неоднократно доказать.
Шипы к когтям В комплекте 10 шипов - 2 больших 8 малых. Выполнены из инструментальной стали, закаленные.
Лазы универсальные ЛУ (тип 2) предназначены для подъема на железобетонные опоры трапецеидального сече-ния воздушных линий...
ТОЛ-НТЗ-10-11А-0.2SFs10/0.5Fs10/10Р10-10/10/15-800/5 40кА УХЛ2 продажа трансформаторов из наличия и заказ. Низкие цены.
ТШЛ-СЭЩ-10-01-0,2S/0,5/10Р/10Р –10/10/15/15 -3000/5 У2 ТУ 3414-179-15356352-2012 и другие варианты 0,2S; 0,2; 0,5S; 0,5 и...
ТШЛП-10 и ТШЛПК-10, ТШЛП-10-1 и ТШЛПК-10-1 трансформаторы купить по низким ценам.
Трансформаторы силовые однофазные типа ОЛС и ОЛСП с встроенным защитным устройством. Низкие цены. Доставка по РФ и СНГ.
Купить трансформатор напряжения масляный трехфазный НТМК 6-71 У3 6000/100В 6кВ по низкой цене. Доставка по РФ и СНГ.
Купить предохранитель 8x150mm 315ma 10kv siba с доставкой по России. Низкиt цены.
Купить трансформатор ТОЛ-НТЗ-10-41А-0.
Лестница стеклопластиковая приставная диэлектрическая ЛСПД-4,0 Евро (Н-4200мм, 11 ступ, вес 17,5кг) купить по низкой цене в...
Продаем предохранители к трансформаторам ЗНОЛП-10 У2 все типоразмеры. Наличие. Доставка по РФ и СНГ.
Высоковольтный токоограничивающий предохранитель XRNP для защиты цепей трансформатора, разработанных для частоты 50 Гц...
Трансформаторы напряжения измерительные НАМИТ-6 У2 и НАМИТ-10 У2 на классы точности 0,5 и 0,2.
Высоковольтный токоограничивающий предохранитель XRNP для защиты цепей трансформатора, разработанных для частоты 50 Гц...
Продаем разъединители РЛК-10/400 по низким ценам. Все комплектации. Новые. Сертификат. Паспорт. Доставка до ТК бесплатно.
КРВ-У комплекты ремонтно-восстановительные универсальные.
ТЛО-10 М3АС-10Р15/10Р15/10Р15/10Р15-10/10/10/10-1500/5 У3 а 40кА Теl: (846) 231-43-79, 231-43-97 Mob: (846) 972-22-01...
Купить трансформатор ТОЛ- 10- 0,5s/10Р 100/5 УЗ , опорный. Наличие. Новые.16 лет межповерочный интервал.
Трансформатор ТОЛ-НТЗ-10-11А-0.5SFs10/10Р10/10Р10-10/15/15-400/5 40кА УХЛ2. Купить трансформатор по низкой цене.
Лестница стеклопластиковая приставная диэлектрическая ЛСПД-4,5 Евро (Н-4550мм, 12 ступ, вес 19кг) купить по низкой цене.
Продаем трансформаторы тока ТОЛ-10 0,5S/10Р 400/5 из наличия по низким ценам. Сертификат и паспорт. Заводская поверка 16 лет.
Трансформаторы напряжения НОС-0.5 УХЛ4 660/100В, предельная мощность 160ВА по низким ценам в Самаре.

